Product Description
H&M Beveling Out Of Round Attachment
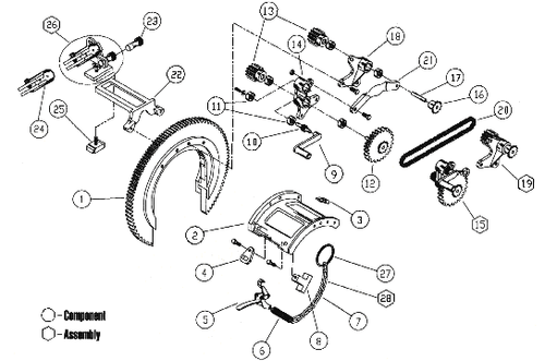
H and M® Pipe Beveling Out-Of-Round Attachment is designed to use with all models of beveling machines except model 0 and creates square ends on round pipe. Attachment features two dove-tailed assemblies that are driven by rack-and-pinion and it facilitates both.
Thanks to the Model “C” Out-of-Round Attachment cutting and beveling imperfect pipe is no problem. The Model “C” Out-of-Round rides the outside diameter of the pipe and compensates for errors in roundness by using a spring-loaded, dove-tailed slide. This action enables square ends to be created on out-of-round pipe.
Like the Model “C” Adjustable Torch Holder the Out-of-Round has two rack-and-pinion driven, dove-tailed slide assemblies, providing independent horizontal and vertical torch movements. A built-in protractor facilitates precise bevel angle settings for forward- or back-beveling.
The Model “C” Out-of-Round Attachment fits all H & M Models 1 through 6 Standard Beveling Machines that cut and bevel 3″ to 48″ pipe. The Model No. 0 requires a special adapter plate.